Rubber Return Bushes
Parker Rubber Return Bushes – Reliable Return Line Components
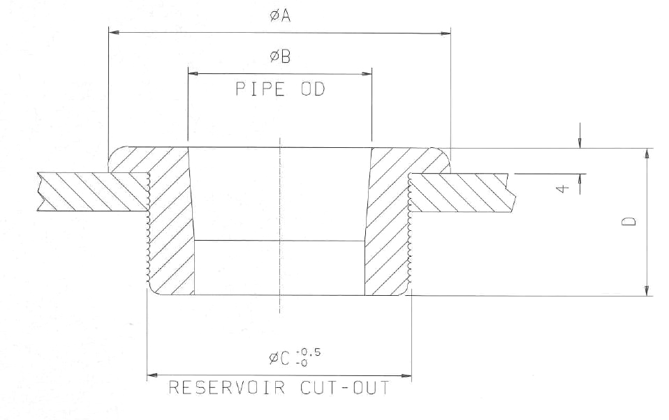
Parker rubber return bushes are high-quality components designed for return line systems in hydraulic installations. These bushes are manufactured in NBR (nitrile butadiene rubber) and supplied a...
| Product Classification | Sealing |
|---|---|
| Product Category | Tubes and Tube Clamps, Workshop Accessories |
| Info | Hymatik Part Number | Supplier Item Number |
Material
|
Note
|
Country of origin
|
TariffNumber
|
Weight
|
Pipe Size (mm)
|
Pipe Size Inch
|
A (mm)
|
C (mm)
|
D (mm)
|
Unit price | Favorite | Sort Order | ||
|---|---|---|---|---|---|---|---|---|---|---|---|---|---|---|---|---|---|