JIC Straight Insert - UN/UNF Female Swivel (Flare 37°)
Parker 106EX Hose Fitting – Reliable JIC Flare Connection for High-Pressure Hydraulic Systems
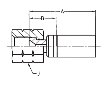
The Series EX hose fitting 106EX is designed as a female swivel in straight configuration and offers a robust solution for hydraulic applications requiring reliable dual flare conn...
Fitting ends
| # | End type group | End form | Thread | Sealing |
|---|---|---|---|---|
| 1 | JIC | Female Swivel | UNF | Flare |
Fitting data
| Shape | Straight |
|---|
| End type | 06, 06 |
|---|---|
| Size Range (mm) | 3 - 3 mm |
| Hose fitting type | 1 Piece |
| Size Range (inch) | 1/8" inches - 1/8" inches |
| Product Classification | Hydraulics |
| Product Category | Hose Fittings |
| Product Group | Crimp Fittings - One Piece |
| Product Program | JIC / Triple-Lok |
| Info | Hymatik Part Number | Supplier Item Number | Availability |
Note
|
Material
|
End 1 Thread Size
|
End 1 Thread Type
|
End 1 Tube Sizes
|
Weight
|
TariffNumber
|
Country of origin
|
Hose Size
|
Unit price | Favorite | Sort Order | ||
|---|---|---|---|---|---|---|---|---|---|---|---|---|---|---|---|---|---|