Kompakt Flow Regulator Swivel Udgang Ventil, Udvendig Gevind BSPP Gevind
| Samlingskombination | Rør-til-Udvendigt Gevind |
|---|---|
| Produktklassifisering | Pneumatik |
| Produktkategori | Fittings, Ventiler |
| Produktgruppe | Pneumatik & Medier |
| Produktprogram | Flow kontrol Regulator |
| Produktunderprogram | Functional Fittings |
| Info | Hymatik varenr. | Leverandør varenr. |
Oprindelsesland
|
TariffNumber
|
Vægt
|
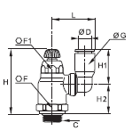
Ød
|
C
|
F
|
F1
|
G
|
H Min
|
H Max
|
H1
|
H2
|
L
|
Enhedspris | Favorit | Sort Order | ||
|---|---|---|---|---|---|---|---|---|---|---|---|---|---|---|---|---|---|---|---|---|