Vinkel Hurtigudlufter , Indvendig Gevind BSPP og Metrisk Gevind
Fitting ends
| # | Endetype | Endeform | Gevind | Tætning |
|---|---|---|---|---|
| 1 | BSPP eller METRIC | Hun (Fast) | BSPP eller METRISK | Pakning fra udvending fitting |
| 2 | BSPP eller METRIC | Hun (Fast) | BSPP eller METRISK | Pakning fra udvending fitting |
| Samlingskombination | Gevind-til-Gevind |
|---|---|
| Produktklassifisering | Pneumatik |
| Produktkategori | Ventiler |
| Produktgruppe | Pneumatik & Medier |
| Produktprogram | Hurtig Udluftningsventiler |
| Produktunderprogram | Functional Fittings |
| Info | Hymatik varenr. | Leverandør varenr. |
Oprindelsesland
|
TariffNumber
|
Vægt
|
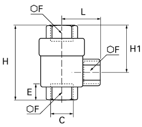
C
|
E
|
F
|
H
|
H1
|
L
|
Enhedspris | Favorit | Sort Order | ||
|---|---|---|---|---|---|---|---|---|---|---|---|---|---|---|---|---|