T EL, Udvendig Gevind BSPT/Indvendig BSPP Gevind
Fitting ends
| # | Endetype | Endeform | Gevind | Tætning |
|---|---|---|---|---|
| 1 | BSP | Hun (Fast) | BSPP | Pakning fra udvending fitting |
| 2 | BSP | Han | BSPT | Gevind |
| 3 | BSP | Hun (Fast) | BSPP | Pakning fra udvending fitting |
Fitting data
| Form | T (EL-Version) |
|---|
| Samlingskombination | Gevind-til-Gevind |
|---|---|
| Produktklassifisering | Pneumatik |
| Produktkategori | Fittings |
| Produktgruppe | Pneumatik & Medier |
| Produktprogram | Adaptorer |
| Info | Hymatik varenr. | Leverandør varenr. | Tilgængelighed |
Oprindelsesland
|
TariffNumber
|
Vægt
|
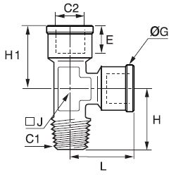
C1
|
C2
|
E
|
G
|
H
|
H1
|
J
|
L
|
Enhedspris | Favorit | Sort Order | ||
|---|---|---|---|---|---|---|---|---|---|---|---|---|---|---|---|---|---|---|---|