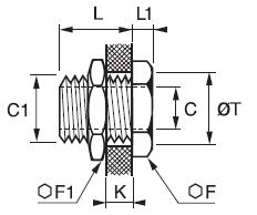
Skotgennemførring Samler, Indvendig Gevind BSPP og Metrisk Gevind
Fitting ends
| # | Endetype | Endeform | Gevind | Tætning |
|---|---|---|---|---|
| 1 | BSPP eller METRIC | Hun (Fast) | BSPP eller METRISK | Pakning fra udvending fitting |
| 2 | BSPP eller METRIC | Hun (Fast) | BSPP eller METRISK | Pakning fra udvending fitting |
Fitting data
| Form | Skotgennemføring Lige |
|---|
| Samlingskombination | Gevind-til-Gevind |
|---|---|
| Produktklassifisering | Pneumatik |
| Produktkategori | Fittings |
| Produktgruppe | Pneumatik & Medier |
| Produktprogram | Adaptorer |
| Info | Hymatik varenr. | Leverandør varenr. |
Oprindelsesland
|
TariffNumber
|
Vægt
|
C
|
C1
|
F
|
F1
|
K Max
|
L
|
L1
|
Øt
|
Enhedspris | Favorit | Sort Order | ||
|---|---|---|---|---|---|---|---|---|---|---|---|---|---|---|---|---|---|---|