SAE Lige Reducerings Flange Adapter
Fitting ends
| # | Endetype | Endeform | Gevind | Tætning |
|---|---|---|---|---|
| 1 | SAE Flange | Flange | Flat Seat |
Fitting data
| Form | Lige |
|---|
| Materialer | Rustfrit Stål, Stål |
|---|---|
| Produktklassifisering | Hydraulik |
| Produktkategori | Fittings |
| Produktgruppe | Hydraulik Fittings |
| Produktprogram | Flange |
| Produktunderprogram | SAE Flange Tilbehør |
| Info | Hymatik varenr. | Leverandør varenr. | Tilgængelighed |
End 1 - End Type Group
|
Materiale
|
Overfladebehandling
|
Oprindelsesland
|
TariffNumber
|
BRSAE
|
Vægt
|
BRISO
|
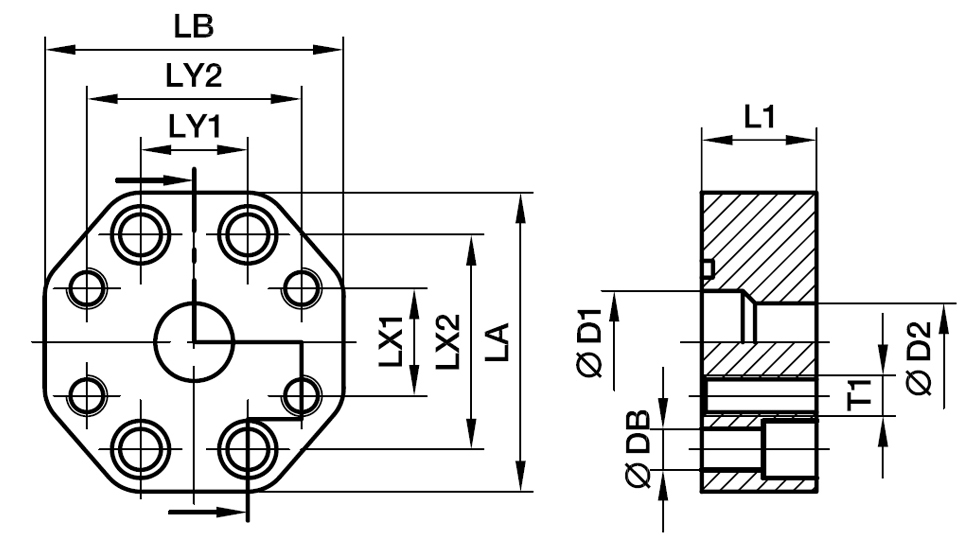
T1
|
D1
|
D2
|
DB
|
L1
|
LA
|
LB
|
LX1
|
LX2
|
LY1
|
LY2
|
SCM
|
PSI
|
Enhedspris | Favorit | Sort Order | ||
|---|---|---|---|---|---|---|---|---|---|---|---|---|---|---|---|---|---|---|---|---|---|---|---|---|---|---|---|---|---|