Pneumatisk Sensor Fitting, Udvendig Gevind BSPP og Metrisk Gevind
| Produktklassifisering | Pneumatik |
|---|---|
| Produktkategori | Fittings, Ventiler |
| Produktgruppe | Pneumatik & Medier |
| Produktprogram | Pneumatisk Sensor Fittings |
| Produktunderprogram | Functional Fittings |
| Info | Hymatik varenr. | Leverandør varenr. |
Oprindelsesland
|
TariffNumber
|
Vægt
|
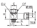
Id
|
C
|
F
|
H
|
Kg
|
Product Type
|
Ød
|
L
|
L1
|
J
|
Note
|
Enhedspris | Favorit | Sort Order | ||
|---|---|---|---|---|---|---|---|---|---|---|---|---|---|---|---|---|---|---|---|---|---|