Parker Hi-Pro Kugleventil (m. Special Optioner) 25mm udboring
Parker Hi-Pro Kugleventil med speciale optioner – præcision og holdbarhed
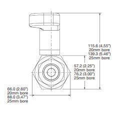
Parker Hi-Pro kugleventilen med 25mm udboring er designet til applikationer, der kræver høj pålidelighed og præcision. Denne ventil er fremstillet af høj kvalitetsmaterialer og tilbyder overlegen funk...
Parker Instrumentation Products Division Overview
| Info | Hymatik varenr. | Leverandør varenr. | Tilgængelighed |
End 1 - End form
|
Ende 1 Gevindstørrelse
|
Ende 1 Gevindtype
|
End 2 - End form
|
Ende 2 Gevindstørrelse
|
Ende 2 Gevindtype
|
Materiale
|
Materiale Standard
|
Vægt
|
TariffNumber
|
Oprindelsesland
|
Arbejdstryk (max)
|
Pakningsmateriale
|
Enhedspris | Favorit | Sort Order | ||
|---|---|---|---|---|---|---|---|---|---|---|---|---|---|---|---|---|---|---|---|---|---|