Nippel T ET, Udvendig Gevind BSPT Gevind
Fitting ends
| # | Endetype | Endeform | Gevind | Tætning |
|---|---|---|---|---|
| 1 | Kompression Pneumatik | Han | Metrisk | Kompressions pneumatik |
| 2 | Kompression Pneumatik | Han | Metrisk | Kompressions pneumatik |
| 3 | BSP | Han | BSPT | Gevind |
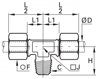
Fitting data
| Form | T |
|---|
| Samlingskombination | Rør-til-Udvendigt Gevind |
|---|---|
| Produktklassifisering | Pneumatik |
| Produktkategori | Fittings |
| Produktgruppe | Pneumatik & Medier |
| Produktprogram | Klemring |
| Produktunderprogram | Standard Messing |
Parker Legris--Product Demo : Compression fittings
| Info | Hymatik varenr. | Leverandør varenr. | Tilgængelighed |
Oprindelsesland
|
TariffNumber
|
Vægt
|
Ød
|
C
|
F
|
H
|
J
|
L1
|
L2
|
Enhedspris | Favorit | Sort Order | ||
|---|---|---|---|---|---|---|---|---|---|---|---|---|---|---|---|---|---|---|