Nippel Slangestuds Samler
Fitting ends
| # | Endetype | Endeform | Gevind | Tætning |
|---|---|---|---|---|
| 1 | Push-In | Glat Rør Ende | Push-In | |
| 2 | Andre | Standard Slangenippel |
Fitting data
| Form | Lige |
|---|
| Samlingskombination | Rør Ende-til-Slangenippel |
|---|---|
| Produktklassifisering | Pneumatik |
| Produktkategori | Fittings |
| Produktgruppe | Pneumatik & Medier |
| Produktprogram | Push-In |
| Ekstra info | Plug-In Fittings and Accessories, Plug-In Fittings and Accessories |
Parker Legris--Product Demo : LF3000® Fittings
| Info | Hymatik varenr. | Leverandør varenr. |
Oprindelsesland
|
TariffNumber
|
Vægt
|
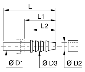
Ød1
|
Ød2
|
Ød3
|
L
|
L1
|
L2
|
Enhedspris | Favorit | Sort Order | ||
|---|---|---|---|---|---|---|---|---|---|---|---|---|---|---|---|---|