Nippel Fitting, med Bi-Material Pakning, Udvendig Gevind BSPP
Fitting ends
| # | Endetype | Endeform | Gevind | Tætning |
|---|---|---|---|---|
| 1 | Kompression Pneumatik | Han | Metrisk | Kompressions pneumatik |
| 2 | BSP | Han | BSPP | USIT Ring/Bonded Seal |
Fitting data
| Form | Lige |
|---|
| Samlingskombination | Rør-til-Udvendigt Gevind |
|---|---|
| Produktklassifisering | Pneumatik |
| Produktkategori | Fittings |
| Produktgruppe | Pneumatik & Medier |
| Produktprogram | Klemring |
| Produktunderprogram | Standard Messing |
How to Install Parker's Compression Fittings
| Info | Hymatik varenr. | Leverandør varenr. | Tilgængelighed |
Oprindelsesland
|
TariffNumber
|
Vægt
|
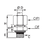
Ød
|
C
|
E
|
F
|
F1
|
H Max
|
H1
|
Enhedspris | Favorit | Sort Order | ||
|---|---|---|---|---|---|---|---|---|---|---|---|---|---|---|---|---|---|---|