Multi T Fitting
Fitting ends
| # | Endetype | Endeform | Gevind | Tætning |
|---|---|---|---|---|
| 1 | Push-In | Hun (Fast) | Push-In |
Fitting data
| Form | Multi Samler |
|---|
| Samlingskombination | Rør-til-Rør |
|---|---|
| Produktklassifisering | Pneumatik |
| Produktkategori | Fittings |
| Produktgruppe | Pneumatik & Medier |
| Produktprogram | Push-In |
| Ekstra info | Multiple Fittings, Multiple Fittings |
How to Install Parker's Prestolok PLP Composite Fitting
| Info | Hymatik varenr. | Leverandør varenr. |
Oprindelsesland
|
TariffNumber
|
Vægt
|
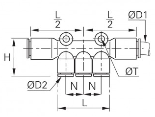
Ød1
|
Ød2
|
H
|
L
|
L2
|
N
|
Øt
|
Enhedspris | Favorit | Sort Order | ||
|---|---|---|---|---|---|---|---|---|---|---|---|---|---|---|---|---|---|