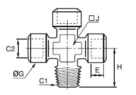
Kryds, Udvendig Gevind BSPT/Indvendig BSPP Gevind
Fitting ends
| # | Endetype | Endeform | Gevind | Tætning |
|---|---|---|---|---|
| 1 | BSP | Hun (Fast) | BSPP | Pakning fra udvending fitting |
| 2 | BSP | Hun (Fast) | BSPP | Pakning fra udvending fitting |
| 3 | BSP | Hun (Fast) | BSPP | Pakning fra udvending fitting |
| 4 | BSP | Han | BSPT | Gevind |
Fitting data
| Form | Kryds |
|---|
| Samlingskombination | Gevind-til-Gevind |
|---|---|
| Produktklassifisering | Pneumatik |
| Produktkategori | Fittings |
| Produktgruppe | Pneumatik & Medier |
| Produktprogram | Adaptorer |
| Info | Hymatik varenr. | Leverandør varenr. |
Oprindelsesland
|
TariffNumber
|
Vægt
|
C1
|
C2
|
E
|
G
|
H
|
J
|
Enhedspris | Favorit | Sort Order | ||
|---|---|---|---|---|---|---|---|---|---|---|---|---|---|---|---|---|