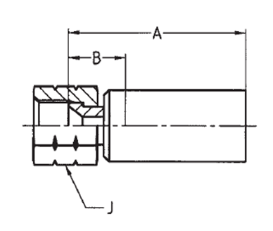
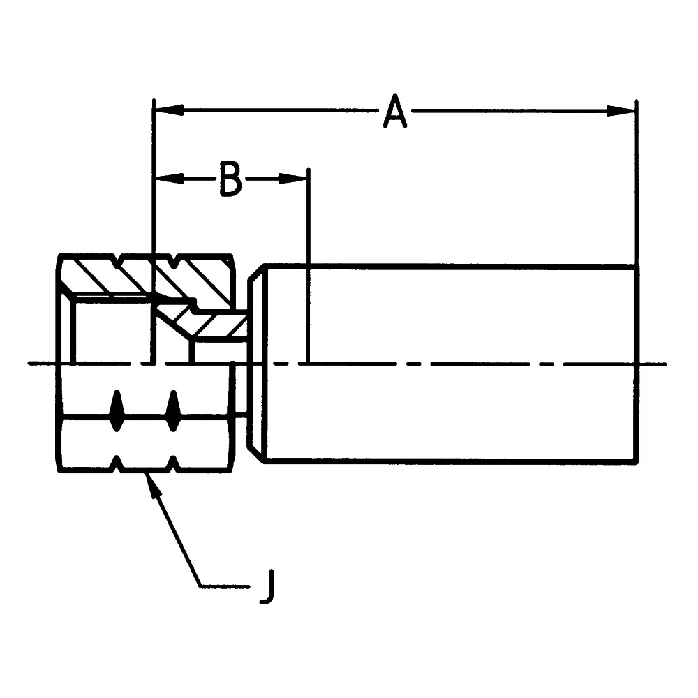
JIC Lige Indstik - UN/UNF Svivel (Hun) indv. gev./Omløber (Udkravning 37°)
Fitting ends
| # | Endetype | Endeform | Gevind | Tætning |
|---|---|---|---|---|
| 1 | JIC | Svivel (Hun) indv. gev./Omløber | UNF | Udkravning |
Fitting data
| Form | Lige |
|---|
| Ende Type | 06, 06 |
|---|---|
| Størrelser (mm) | 6 - 32 mm |
| Slangefittingtype | 1 Piece |
| Størrelser (tommer) | 1/4" inches - 1 1/4" inches |
| Produktklassifisering | Hydraulik |
| Produktkategori | Slange Fittings |
| Produktgruppe | Press Fittings - One Piece |
| Produktprogram | JIC / Triple-Lok |
| Info | Hymatik varenr. | Leverandør varenr. | Tilgængelighed |
Note
|
Materiale
|
Ende 1 Gevindstørrelse
|
Ende 1 Gevindtype
|
Ende 1 Rørstørrelser
|
Vægt
|
TariffNumber
|
Oprindelsesland
|
Slangestørrelse
|
Enhedspris | Favorit | Sort Order | ||
|---|---|---|---|---|---|---|---|---|---|---|---|---|---|---|---|---|---|