In-Line Manifold
Fitting ends
| # | Endetype | Endeform | Gevind | Tætning |
|---|---|---|---|---|
| 1 | Push-In | Hun (Fast) | Push-In | |
| 2 | BSP | Hun (Fast) | BSPP | Pakning fra udvending fitting |
| 3 | BSP | Hun (Fast) | BSPP | Pakning fra udvending fitting |
Fitting data
| Form | Multi Samler |
|---|
| Samlingskombination | Rør-til-Indvendigt Gevind |
|---|---|
| Produktklassifisering | Pneumatik |
| Produktkategori | Fittings |
| Produktgruppe | Pneumatik & Medier |
| Produktprogram | Push-In |
| Ekstra info | Multiple Fittings, Multiple Fittings |
| Info | Hymatik varenr. | Leverandør varenr. |
Oprindelsesland
|
TariffNumber
|
Vægt
|
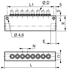
Ød
|
C
|
Number Of Outlets
|
E
|
H
|
L
|
L1
|
N
|
Enhedspris | Favorit | Sort Order | ||
|---|---|---|---|---|---|---|---|---|---|---|---|---|---|---|---|---|---|---|