Flow Kontrol Polymer Lyddæmper, Udvendig Gevind BSPP og Metrisk Gevind
Fitting ends
| # | Endetype | Endeform | Gevind | Tætning |
|---|---|---|---|---|
| 1 | BSPP eller METRIC | Han | BSPP eller METRISK | Flat Seat |
| Produktklassifisering | Pneumatik |
|---|---|
| Produktkategori | Ventiler |
| Produktgruppe | Pneumatik & Medier |
| Produktprogram | Tilbehør |
| Produktunderprogram | Functional Fittings |
| Info | Hymatik varenr. | Leverandør varenr. | Tilgængelighed |
Oprindelsesland
|
TariffNumber
|
Vægt
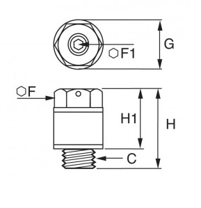
|
C
|
F
|
F1
|
G
|
H
|
H1
|
Enhedspris | Favorit | Sort Order | ||
|---|---|---|---|---|---|---|---|---|---|---|---|---|---|---|---|---|---|