ET-T Med Svivel Omløber
Parker ET-T Med Svivel Omløber – Fleksibel T-forbindelse med swivel-muffe
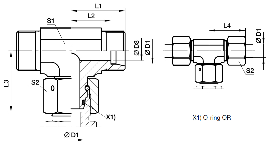
Parker ET-T Med Svivel Omløber er en robust T-formet fitting designet til hydrauliske og pneumatiske systemer, der kræver fleksibilitet og pålidelig forbindelse. T-stykket kombinerer en hanstik med en...
Fitting ends
| # | Endetype | Endeform | Gevind | Tætning |
|---|---|---|---|---|
| 1 | DIN - Metrisk | Han | Metrisk | Udkravning |
| 2 | DIN - Metrisk | Svivel (Hun) indv. gev./Omløber | Metrisk | Konus med O-ring |
Fitting data
| Form | T |
|---|
| Materialer | Rustfrit Stål, Stål |
|---|---|
| Trykserier | L, S |
| Størrelser (mm) | 6 - 42 mm |
| Samlingskombination | Rør-til-Omløber |
| Produktklassifisering | Hydraulik |
| Produktkategori | Fittings |
| Produktgruppe | Hydraulik Fittings |
| Produktprogram | DIN Metrisk |
EO-PSR Animation
| Info | Hymatik varenr. | Leverandør varenr. | Tilgængelighed |
Navn
|
End 1 - End form
|
End 1 - End Type Group
|
Ende 1 Rørstørrelser
|
Ende 1 trykseries
|
Ende 1 Gevindstørrelse
|
Ende 1 Gevindtype
|
End 1 - Sealing
|
End 2 - End form
|
End 2 - End Type Group
|
Ende 2 Rørstørrelser
|
Ende 2 trykseries
|
Ende 2 Gevindstørrelse
|
Ende 2 Gevindtype
|
End 2 - Sealing
|
End 3 - End form
|
End 3 - End Type Group
|
Ende 3 Rørstørrelser
|
Ende 3 trykserie
|
Ende 3 Gevindstørrelse
|
Ende 3 Gevindtype
|
End 3 - Sealing
|
Skæreringstype
|
Fitting komplethed
|
Materiale
|
Overfladebehandling
|
Samlingskombination
|
Oprindelsesland
|
TariffNumber
|
Vægt
|
D1
|
D3
|
S1
|
S2
|
L1
|
L2
|
L3
|
L4
|
Enhedspris | Favorit | Sort Order | ||
|---|---|---|---|---|---|---|---|---|---|---|---|---|---|---|---|---|---|---|---|---|---|---|---|---|---|---|---|---|---|---|---|---|---|---|---|---|---|---|---|---|---|---|---|---|---|---|