EO-3 Højtryks Banjo Vinkel - EO-3 Programmet er udgået.
Produktet EO-3 er udgået. Anvend i stedet DIN Fittings programmet, henholdsvis EO-2 og EO Form. For yderligere information, venligst kontakt Hymatik Kundeservice på Tlf. +45 63128300 eller pr. mail ps@hymatik.com.
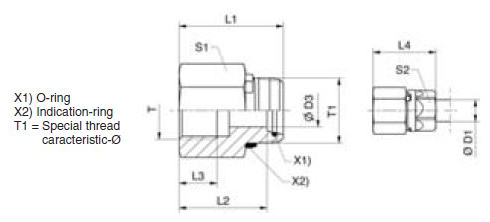
Fitting data
| Form | Lige |
|---|
| Produktklassifisering | Hydraulik |
|---|---|
| Produktkategori | Fittings |
| Produktgruppe | Hydraulik Fittings |
| Produktprogram | EO-3 |
| Tilgængelighed | Udgået, Varen er udgået af produktion |
| Info | Hymatik varenr. | Leverandør varenr. | Tilgængelighed |
Fitting komplethed
|
Materiale
|
Overfladebehandling
|
PN
|
Oprindelsesland
|
TariffNumber
|
T
|
T1
|
D1
|
D3
|
S1
|
S2
|
L1
|
L2
|
L3
|
L4
|
Enhedspris | Favorit | Sort Order | ||
|---|---|---|---|---|---|---|---|---|---|---|---|---|---|---|---|---|---|---|---|---|---|---|---|---|