Enkelt Banjo, Udvendig/Indvendig Gevind BSPP og Metrisk Gevind
Fitting ends
| # | Endetype | Endeform | Gevind | Tætning |
|---|---|---|---|---|
| 1 | Push-In | Hun (Fast) | Push-In | |
| 2 | BSPP eller METRIC | Hun (Fast) | BSPP eller METRISK | Pakning fra udvending fitting |
| 3 | BSPP eller METRIC | Han | BSPP eller METRISK | O-ring |
Fitting data
| Form | Vinkel Banjo 90° |
|---|
| Samlingskombination | Rør-til-Udvendigt Gevind |
|---|---|
| Produktklassifisering | Pneumatik |
| Produktkategori | Fittings |
| Produktgruppe | Pneumatik & Medier |
| Produktprogram | Push-In |
| Ekstra info | Banjo Fittings, Banjo Fittings |
Parker Legris--Product Demo : LF3000® Fittings
| Info | Hymatik varenr. | Leverandør varenr. | Tilgængelighed |
Oprindelsesland
|
TariffNumber
|
Vægt
|
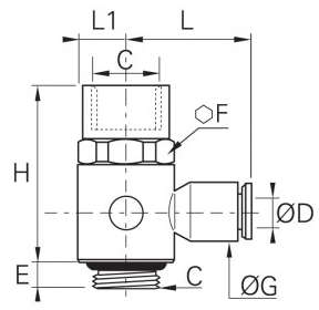
Ød
|
C
|
E
|
F
|
G
|
H
|
L
|
L1
|
Enhedspris | Favorit | Sort Order | ||
|---|---|---|---|---|---|---|---|---|---|---|---|---|---|---|---|---|---|---|---|