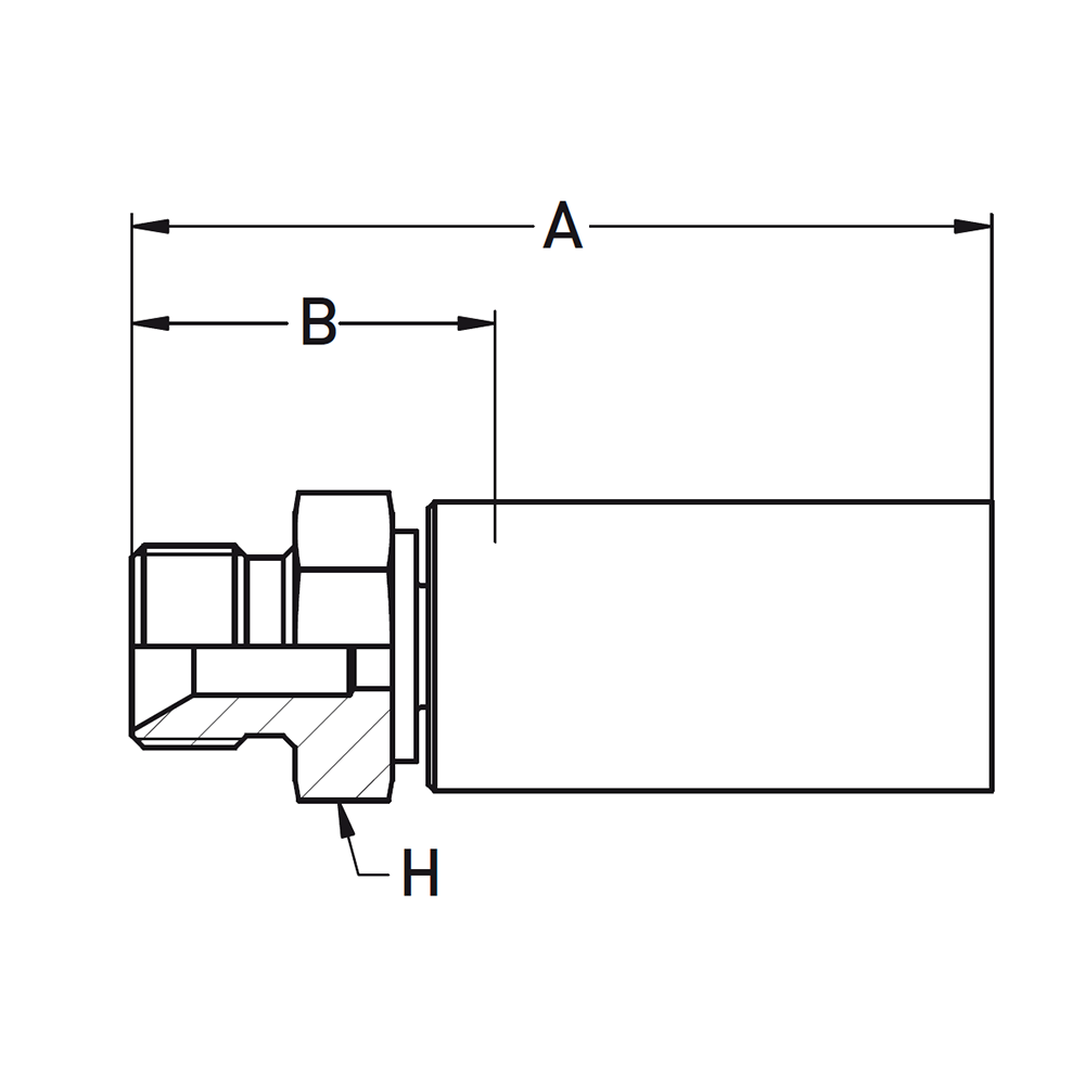
BSP Lige Indstik - BSPP Han (TBA)

Fitting ends
# Endetype Endeform Gevind Tætning
1 BSP Han BSPP Tætningsskive
Fitting data
Form Lige

Ende Type 3B, 3B
Størrelser (mm) 6 - 12 mm
Slangefittingtype 1 Piece
Størrelser (tommer) 1/4" inches - 1/2" inches
Produktklassifisering Hydraulik
Produktkategori Slange Fittings
Produktgruppe Press Fittings - One Piece
Produktprogram BSP - BSPP / BSPT
Info Hymatik varenr. Leverandør varenr. Tilgængelighed
Note
Materiale
Ende 1 Gevindstørrelse
Ende 1 Gevindtype
Vægt
TariffNumber
Oprindelsesland
Slangestørrelse
Enhedspris          Favorit    Sort Order