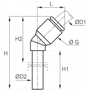
45° Nippel Vinkel
Fitting ends
| # | Endetype | Endeform | Gevind | Tætning |
|---|---|---|---|---|
| 1 | Push-In | Glat Rør Ende | Push-In | |
| 2 | Push-In | Svivel (Hun) indv. gev./Omløber | Push-In |
Fitting data
| Form | Vinkel 45° |
|---|
| Samlingskombination | Rør-til-Rør Ende |
|---|---|
| Produktklassifisering | Pneumatik |
| Produktkategori | Fittings |
| Produktgruppe | Pneumatik & Medier |
| Produktprogram | Push-In |
| Ekstra info | Plug-In Fittings and Accessories, Plug-In Fittings and Accessories |
Parker Legris--Installation guide for push-in fittings
| Info | Hymatik varenr. | Leverandør varenr. |
Oprindelsesland
|
TariffNumber
|
Vægt
|
Ød1
|
Ød2
|
G
|
H
|
H1
|
H2
|
L
|
Enhedspris | Favorit | Sort Order | ||
|---|---|---|---|---|---|---|---|---|---|---|---|---|---|---|---|---|---|