Vinkel Indskruning - Udvendig NPT Gevind
Parker Ermeto Vinkel Indskruning – Pålidelig forbindelse til industrielle applikationer
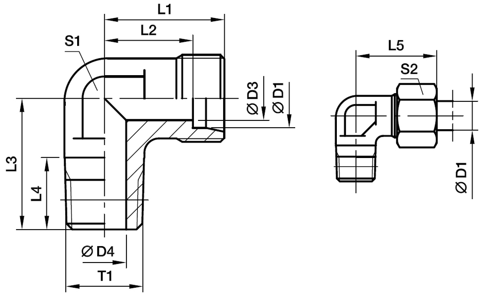
Denne vinkel indskruning fra Parker Ermeto-serien er designet til anvendelse i hydraulik- og pneumatiske systemer, hvor der kræves sikre og pålidelige forbindelser. Produktet er en 90° e...
Fitting ends
| # | Endetype | Endeform | Gevind | Tætning |
|---|---|---|---|---|
| 1 | DIN - Metrisk | Han | Metrisk | Udkravning |
| 2 | NPT | Han | NPT | Gevind |
Fitting data
| Form | Vinkel 90° |
|---|
| Materialer | Messing, Rustfrit Stål, Stål |
|---|---|
| Trykserier | LL, L, S |
| Størrelser (mm) | 4 - 42 mm |
| Samlingskombination | Rør-til-Udvendigt Gevind |
| Produktklassifisering | Hydraulik |
| Produktkategori | Fittings |
| Produktgruppe | Hydraulik Fittings |
| Produktprogram | DIN Metrisk |
EO-2 Animation
| Info | Hymatik varenr. | Leverandør varenr. | Tilgængelighed |
Navn
|
End 1 - End form
|
End 1 - End Type Group
|
Ende 1 Rørstørrelser
|
Ende 1 trykseries
|
Ende 1 Gevindstørrelse
|
Ende 1 Gevindtype
|
End 1 - Sealing
|
End 2 - End form
|
End 2 - End Type Group
|
Ende 2 Gevindstørrelse
|
Ende 2 Gevindtype
|
End 2 - Sealing
|
Skæreringstype
|
Fitting komplethed
|
Materiale
|
Overfladebehandling
|
Samlingskombination
|
Oprindelsesland
|
TariffNumber
|
Vægt
|
D1
|
T1
|
D3
|
D4
|
S1
|
S2
|
L1
|
L2
|
L3
|
L4
|
L5
|
Enhedspris | Favorit | Sort Order | ||
|---|---|---|---|---|---|---|---|---|---|---|---|---|---|---|---|---|---|---|---|---|---|---|---|---|---|---|---|---|---|---|---|---|---|---|---|---|---|---|---|---|