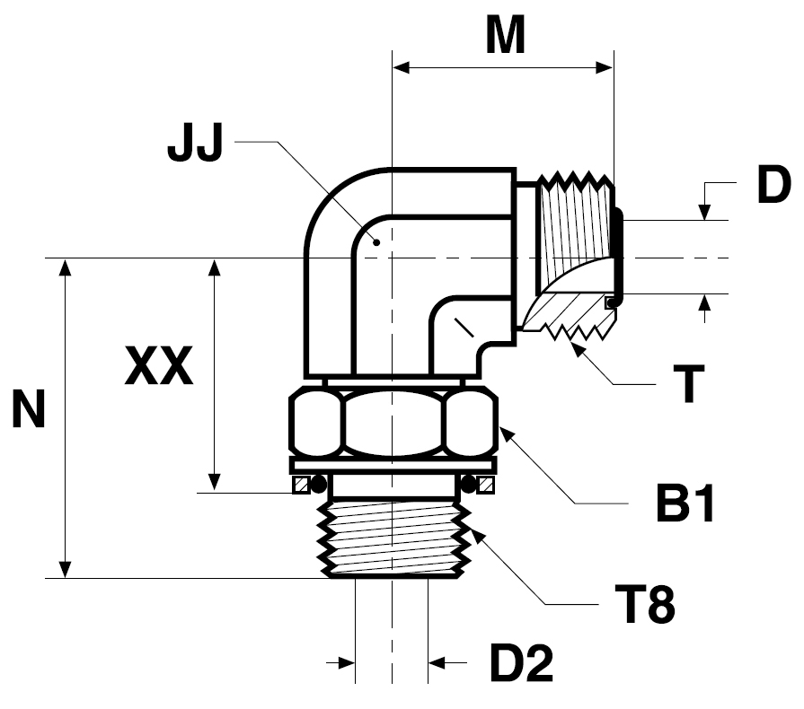
Vinkel Indskruning - O-Lok® ORFS Rør Ende / Udvendig Metrisk Gevind – O-ring + Holdering
Fitting ends
| # | Endetype | Endeform | Gevind | Tætning |
|---|---|---|---|---|
| 1 | O-Lok / ORFS | Han | UNF | Flat Seat |
| 2 | Metrisk | Han | Metrisk | O-ring |
Fitting data
| Form | Vinkel 90° |
|---|
| Materialer | Stål |
|---|---|
| Størrelser (mm) | 6 - 38 mm |
| Størrelser (tommer) | 1/4" inches - 1 1/2" inches |
| Samlingskombination | Rør-til-Udvendigt Gevind |
| Produktklassifisering | Hydraulik |
| Produktkategori | Fittings |
| Produktgruppe | Hydraulik Fittings |
| Produktprogram | ORFS / OLok / Flatface |
| Info | Hymatik varenr. | Leverandør varenr. |
End 1 - End form
|
End 1 - End Type Group
|
Ende 1 Rørstørrelser
|
Ende 1 Gevindstørrelse
|
Ende 1 Gevindtype
|
End 1 - Sealing
|
End 2 - End form
|
End 2 - End Type Group
|
Ende 2 Gevindstørrelse
|
Ende 2 Gevindtype
|
End 2 - Sealing
|
Materiale
|
Samlingskombination
|
Oprindelsesland
|
TariffNumber
|
Vægt
|
ROHRAD
|
ROHRADZ
|
T8
|
T
|
D
|
D2
|
B1
|
JJ
|
M
|
N
|
XX
|
Enhedspris | Favorit | Sort Order | ||
|---|---|---|---|---|---|---|---|---|---|---|---|---|---|---|---|---|---|---|---|---|---|---|---|---|---|---|---|---|---|---|---|---|---|---|