Udvendigt Gevind EL-T - Udvendig Kort Metrisk Konisk Gevind
Fitting ends
| # | Endetype | Endeform | Gevind | Tætning |
|---|---|---|---|---|
| 1 | DIN - Metrisk | Han | Metrisk | Udkravning |
| 2 | Metrisk | Han | Metrisk | Gevind |
| 3 | DIN - Metrisk | Han | Metrisk |
Fitting data
| Form | T (EL-Version) |
|---|
| Materialer | Rustfrit Stål, Stål |
|---|---|
| Trykserier | LL, L, S |
| Størrelser (mm) | 4 - 18 mm |
| Samlingskombination | Rør-til-Udvendigt Gevind |
| Produktklassifisering | Hydraulik |
| Produktkategori | Fittings |
| Produktgruppe | Hydraulik Fittings |
| Produktprogram | DIN Metrisk |
EO-PSR Animation
| Info | Hymatik varenr. | Leverandør varenr. | Tilgængelighed |
Navn
|
End 1 - End form
|
End 1 - End Type Group
|
Ende 1 Rørstørrelser
|
Ende 1 trykseries
|
Ende 1 Gevindstørrelse
|
Ende 1 Gevindtype
|
End 1 - Sealing
|
End 2 - End form
|
End 2 - End Type Group
|
Ende 2 Gevindstørrelse
|
Ende 2 Gevindtype
|
End 2 - Sealing
|
Skæreringstype
|
Fitting komplethed
|
Materiale
|
Overfladebehandling
|
Samlingskombination
|
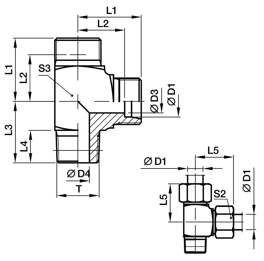
D1
|
Oprindelsesland
|
TariffNumber
|
Vægt
|
T
|
D3
|
D4
|
S1
|
S2
|
S3
|
L1
|
L2
|
L3
|
L4
|
L5
|
Enhedspris | Favorit | Sort Order | ||
|---|---|---|---|---|---|---|---|---|---|---|---|---|---|---|---|---|---|---|---|---|---|---|---|---|---|---|---|---|---|---|---|---|---|---|---|---|---|---|---|---|---|