T EL, Udvendig Gevind NPT Gevind
Fitting ends
| # | Endetype | Endeform | Gevind | Tætning |
|---|---|---|---|---|
| 1 | Spigot Fitting | Han | Metrisk | Spigot System |
| 2 | Spigot Fitting | Han | Metrisk | Spigot System |
| 3 | NPT | Han | NPT | Gevind |
Fitting data
| Form | T |
|---|
| Samlingskombination | Rør-til-Udvendigt Gevind |
|---|---|
| Produktklassifisering | Pneumatik |
| Produktkategori | Fittings |
| Produktgruppe | Pneumatik & Medier |
| Produktprogram | Klemring |
| Produktunderprogram | Spigot |
Parker Legris PL Push-On Fittings
| Info | Hymatik varenr. | Leverandør varenr. | Tilgængelighed |
Oprindelsesland
|
TariffNumber
|
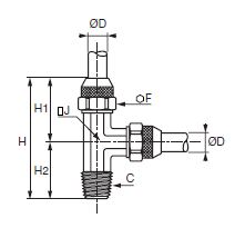
Ød
|
C
|
F
|
H
|
H1
|
H2
|
J
|
Enhedspris | Favorit | Sort Order | ||
|---|---|---|---|---|---|---|---|---|---|---|---|---|---|---|---|---|---|