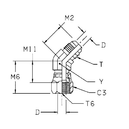
Svivel Omløber Vinkel - 37° Udkravet Ende / 37° Udkravet Indvendig Svivel Ende
SAE 070321, MS51522
Fitting ends
| # | Endetype | Endeform | Gevind | Tætning |
|---|---|---|---|---|
| 1 | JIC | Han | UNF | Konus |
| 2 | JIC | Svivel (Hun) indv. gev./Omløber | UNF | Udkravning |
Fitting data
| Form | Vinkel 45° |
|---|
| Materialer | Stål, Rustfrit Stål |
|---|---|
| Størrelser (mm) | 6 - 38 mm |
| Størrelser (tommer) | 1/4" inches - 2" inches |
| Samlingskombination | Rør-til-Omløber |
| Produktklassifisering | Hydraulik |
| Produktkategori | Fittings |
| Produktgruppe | Hydraulik Fittings |
| Produktprogram | JIC / Triple-Lok |
| Varenummer | Leverandøres varenumre | Alternative varenumre |
|---|---|---|
| 7290553060 | 8V6MXS | A9B00010106 |
| 7290553070 | 10V6MXS | A9B00010207 |
| H00012582 | 32 V6X-S | A9B00010282 |
| H01381657 | 12 V6X-S | A9B00010107 |
| Info | Hymatik varenr. | Leverandør varenr. |
Navn
|
End 1 - End form
|
End 1 - End Type Group
|
Ende 1 Rørstørrelser
|
Ende 1 Gevindstørrelse
|
Ende 1 Gevindtype
|
End 1 - Sealing
|
End 2 - End form
|
End 2 - End Type Group
|
Ende 2 Rørstørrelser
|
Ende 2 Gevindstørrelse
|
Ende 2 Gevindtype
|
End 2 - Sealing
|
Materiale
|
Samlingskombination
|
Oprindelsesland
|
TariffNumber
|
Vægt
|
AD
|
OD
|
GEWT
|
GEWT6
|
D
|
C3
|
Y
|
M2
|
M6
|
M11
|
Enhedspris | Favorit | Sort Order | ||
|---|---|---|---|---|---|---|---|---|---|---|---|---|---|---|---|---|---|---|---|---|---|---|---|---|---|---|---|---|---|---|---|---|---|---|---|