Svivel Omløber ET-T - 37° Udkravet Ende/ Triple-Lok® 37° Udkravet Indvendig Svivel Ende
SAE 070433, MS51524
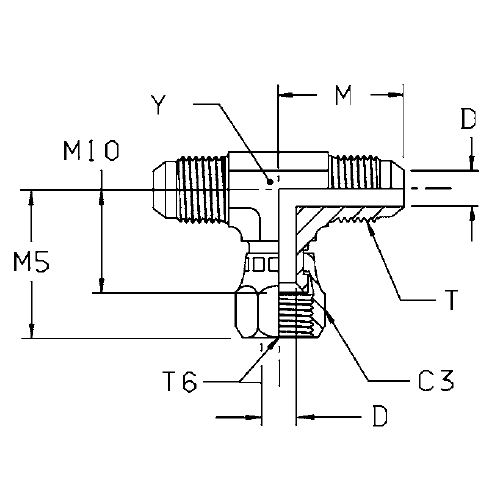
Fitting ends
| # | Endetype | Endeform | Gevind | Tætning |
|---|---|---|---|---|
| 1 | JIC | Han | UNF | Konus |
| 2 | JIC | Han | UNF | Konus |
| 3 | JIC | Svivel (Hun) indv. gev./Omløber | UNF | Udkravning |
Fitting data
| Form | T |
|---|
| Materialer | Stål, Rustfrit Stål |
|---|---|
| Størrelser (mm) | 6 - 38 mm |
| Størrelser (tommer) | 1/4" inches - 1 1/2" inches |
| Samlingskombination | Rør-til-Omløber |
| Produktklassifisering | Hydraulik |
| Produktkategori | Fittings |
| Produktgruppe | Hydraulik Fittings |
| Produktprogram | JIC / Triple-Lok |
| Varenummer | Leverandøres varenumre | Alternative varenumre |
|---|---|---|
| 7290553110 | 8S6MXS | A9B00010104 |
| 7290553115 | 10S6MXS | A9B00010172 |
| Info | Hymatik varenr. | Leverandør varenr. | Tilgængelighed |
Navn
|
End 1 - End form
|
End 1 - End Type Group
|
Ende 1 Rørstørrelser
|
Ende 1 Gevindstørrelse
|
Ende 1 Gevindtype
|
End 1 - Sealing
|
End 2 - End form
|
End 2 - End Type Group
|
Ende 2 Rørstørrelser
|
Ende 2 Gevindstørrelse
|
Ende 2 Gevindtype
|
End 2 - Sealing
|
End 3 - End form
|
End 3 - End Type Group
|
Ende 3 Rørstørrelser
|
Ende 3 Gevindstørrelse
|
Ende 3 Gevindtype
|
End 3 - Sealing
|
Materiale
|
Samlingskombination
|
Oprindelsesland
|
TariffNumber
|
Vægt
|
AD
|
OD
|
GEWT
|
GEWT6
|
D
|
C3
|
Y
|
M
|
M5
|
M10
|
Enhedspris | Favorit | Sort Order | ||
|---|---|---|---|---|---|---|---|---|---|---|---|---|---|---|---|---|---|---|---|---|---|---|---|---|---|---|---|---|---|---|---|---|---|---|---|---|---|---|---|---|---|---|