Skotgennemførring Låsemøtrik - Skotgennemførring fitting Låse Møtrik
SAE 080118, MS51860
Fitting ends
| # | Endetype | Endeform | Gevind | Tætning |
|---|---|---|---|---|
| 1 | JIC | Hun (Fast) | UNF |
Fitting data
| Form | Lige |
|---|
| Materialer | Messing, Rustfrit Stål, Stål |
|---|---|
| Samlingskombination | Kontramøtrikker |
| Produktklassifisering | Hydraulik |
| Produktkategori | Fittings |
| Produktgruppe | Hydraulik Fittings |
| Produktprogram | JIC / Triple-Lok |
| Produktunderprogram | Komponent |
| Varenummer | Leverandøres varenumre | Alternative varenumre |
|---|---|---|
| H00010861 | 16WLNMS | A9B00016321 |
| Info | Hymatik varenr. | Leverandør varenr. |
Materiale
|
Samlingskombination
|
Oprindelsesland
|
TariffNumber
|
Vægt
|
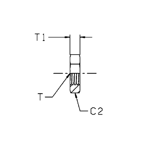
T1
|
GEWT
|
C2
|
Enhedspris | Favorit | Sort Order | ||
|---|---|---|---|---|---|---|---|---|---|---|---|---|---|---|---|