Sekskant Hoved Prop - Udvendig UN/UNF Gevind – O-ring
ISO 11926, SAE 090109A
Fitting ends
| # | Endetype | Endeform | Gevind | Tætning |
|---|---|---|---|---|
| 1 | UNF/UN | Han | UNF | O-ring |
Fitting data
| Form | Prop |
|---|
| Materialer | Stål, Rustfrit Stål |
|---|---|
| Størrelser (tommer) | 5/16" inches - 2 1/2" inches |
| Samlingskombination | Plugs and Caps |
| Produktklassifisering | Hydraulik |
| Produktkategori | Fittings |
| Produktgruppe | Hydraulik Fittings |
| Produktprogram | Adaptorer |
| Produktunderprogram | Propper og muffer |
| Info | Hymatik varenr. | Leverandør varenr. | Tilgængelighed |
End 1 - End form
|
End 1 - End Type Group
|
Ende 1 Gevindstørrelse
|
Ende 1 Gevindtype
|
Materiale
|
Samlingskombination
|
Oprindelsesland
|
TariffNumber
|
Vægt
|
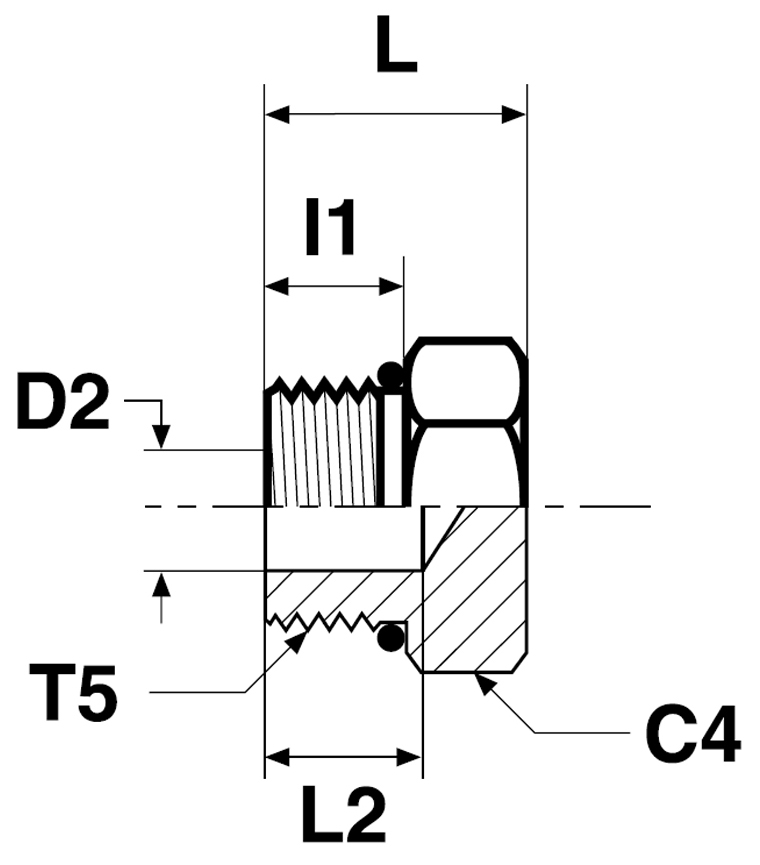
T5
|
Navn
|
End 2 - End form
|
Materiale Standard
|
D2
|
C4
|
L
|
L2
|
I1
|
Enhedspris | Favorit | Sort Order | ||
|---|---|---|---|---|---|---|---|---|---|---|---|---|---|---|---|---|---|---|---|---|---|---|---|---|---|---|