Samler Vinkel - Triple-Lok® 37° Udkravet Ende
SAE 070201, MS51505
Fitting ends
| # | Endetype | Endeform | Gevind | Tætning |
|---|---|---|---|---|
| 1 | JIC | Han | UNF | Konus |
| 2 | JIC | Han | UNF | Konus |
Fitting data
| Form | Vinkel 90° |
|---|
| Materialer | Messing, Rustfrit Stål, Stål |
|---|---|
| Størrelser (mm) | 6 - 42 mm |
| Størrelser (tommer) | 1/8" inches - 2" inches |
| Samlingskombination | Rør-til-Rør |
| Produktklassifisering | Hydraulik |
| Produktkategori | Fittings |
| Produktgruppe | Hydraulik Fittings |
| Produktprogram | JIC / Triple-Lok |
| Info | Hymatik varenr. | Leverandør varenr. | Tilgængelighed |
End 1 - End form
|
End 1 - End Type Group
|
Ende 1 Rørstørrelser
|
Ende 1 Gevindstørrelse
|
Ende 1 Gevindtype
|
End 1 - Sealing
|
End 2 - End form
|
End 2 - End Type Group
|
Ende 2 Rørstørrelser
|
Ende 2 Gevindstørrelse
|
Ende 2 Gevindtype
|
End 2 - Sealing
|
Materiale
|
Samlingskombination
|
Navn
|
Oprindelsesland
|
TariffNumber
|
Vægt
|
ROHRAD
|
ROHRADZ
|
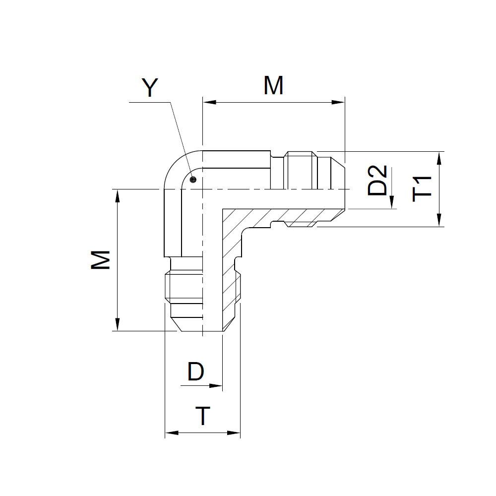
T
|
T1
|
D
|
Y
|
M
|
M1
|
Enhedspris | Favorit | Sort Order | ||
|---|---|---|---|---|---|---|---|---|---|---|---|---|---|---|---|---|---|---|---|---|---|---|---|---|---|---|---|---|---|---|---|---|---|---|