SAE Fuld Flange
| Materialer | Rustfrit Stål, Stål |
|---|---|
| Størrelser (mm) | 13 - 127 mm |
| Størrelser (tommer) | 1/2" inches - 5" inches |
| Produktklassifisering | Hydraulik |
| Produktkategori | Fittings |
| Produktgruppe | Hydraulik Fittings |
| Produktprogram | Flange |
| Produktunderprogram | Flangebakker - Halvparter & Hele |
| Info | Hymatik varenr. | Leverandør varenr. |
Materiale
|
Overfladebehandling
|
BRSAE
|
Oprindelsesland
|
TariffNumber
|
Vægt
|
BRISO
|
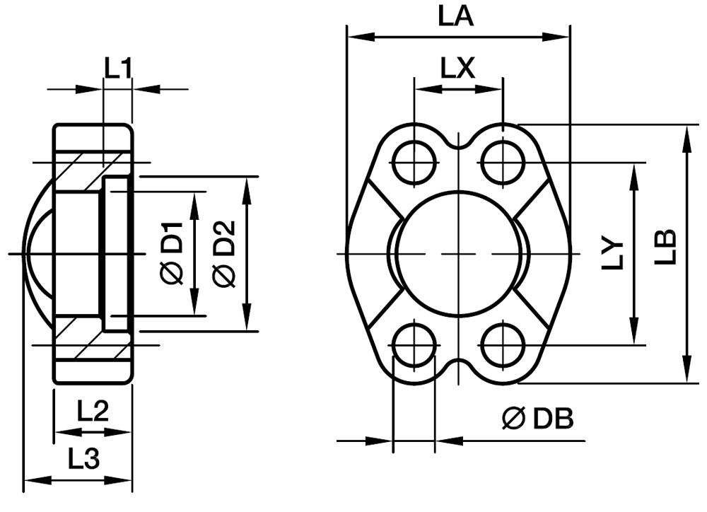
D1
|
D2
|
DB
|
L1
|
L2
|
L3
|
LA
|
LB
|
LX
|
LY
|
SCM
|
SCU
|
Enhedspris | Favorit | Sort Order | ||
|---|---|---|---|---|---|---|---|---|---|---|---|---|---|---|---|---|---|---|---|---|---|---|---|---|---|---|