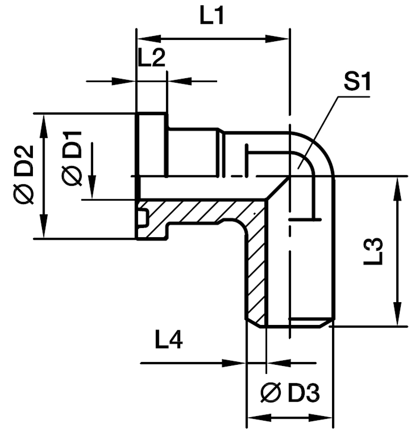
SAE 90° Vinkel Flange Adapter - SAE Flange / Svejseende
Fitting ends
| # | Endetype | Endeform | Gevind | Tætning |
|---|---|---|---|---|
| 1 | DIN - Metrisk | Han | Metrisk | Udkravning |
| 2 | Svejsefittings | Han | Svejset |
Fitting data
| Form | Vinkel 90° |
|---|
| Materialer | Rustfrit Stål, Stål |
|---|---|
| Trykserier | L, S |
| Størrelser (mm) | 6 - 42 mm |
| Samlingskombination | Rør-til-Svejsning |
| Produktklassifisering | Hydraulik |
| Produktkategori | Fittings |
| Produktgruppe | Hydraulik Fittings |
| Produktprogram | Svejsefittings, DIN Metrisk |
| Info | Hymatik varenr. | Leverandør varenr. | Tilgængelighed |
End 1 - End form
|
End 1 - End Type Group
|
Ende 1 Flangestørrelse
|
Ende 1 trykseries
|
End 1 - Sealing
|
End 2 - End form
|
End 2 - End Type Group
|
End 2 - Sealing
|
Skæreringstype
|
Materiale
|
Overfladebehandling
|
Samlingskombination
|
Oprindelsesland
|
TariffNumber
|
Vægt
|
D1
|
D3
|
L1
|
L2
|
L3
|
L4
|
S1
|
Enhedspris | Favorit | Sort Order | ||
|---|---|---|---|---|---|---|---|---|---|---|---|---|---|---|---|---|---|---|---|---|---|---|---|---|---|---|---|---|---|---|