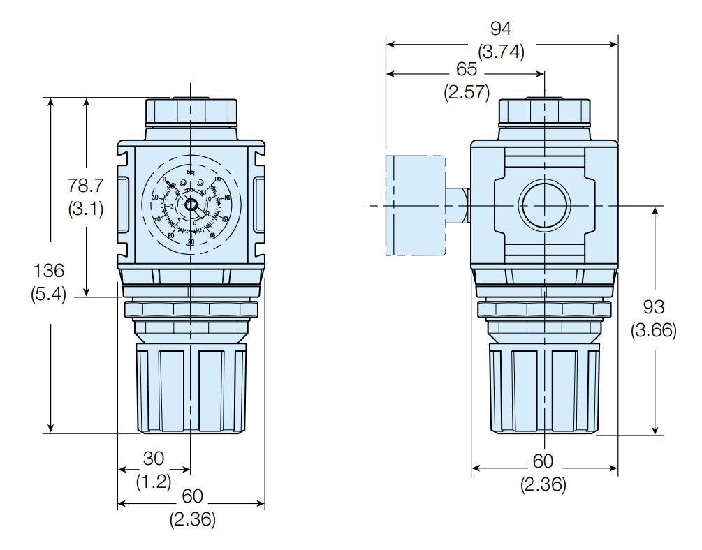
Regulator Standard til serie P31, P32 og P33
Standard trykregulator til serie P31, P32 og P33
Regulatorer der tilbyder hurtig respons og præcis trykregulering.
Regulatorer til serierne: P31 Mini, P32 Kompakt og P33 Standard.
- Robust og let aluminiumskonstru...
| Produktklassifisering | Pneumatik |
|---|
Global FRL product tutorial and demo
| Info | Hymatik varenr. | Leverandør varenr. |
Port Størrelse
|
Gevindtype
|
Flow (dm3/S)
|
Flow (scfm)
|
Manometer
|
Oprindelsesland
|
TariffNumber
|
Vægt
|
Enhedspris | Favorit | Sort Order | ||
|---|---|---|---|---|---|---|---|---|---|---|---|---|---|---|---|