Prop For Port m. ED gummitætning

ISO 9974, ISO 1179

Parker Ermeto VSTI Prop med ED Gummitætning – Pålidelige Tilstopninger til Fluidsystemer

Parker Ermeto VSTI-props med ED gummitætning er udviklet til sikker og pålidelig tilstopning af porthuller i hydrauliske og pneumatiske systemer. Disse props kombinerer robust design me...

Fitting ends
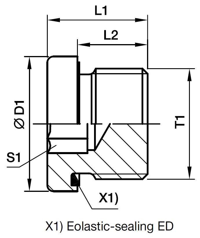
# Endetype Endeform Gevind Tætning
1 BSPP eller METRIC Han BSPP eller METRISK ED Seal
Fitting data
Form Prop

Materialer Rustfrit Stål, Stål
Samlingskombination Plugs and Caps
Produktklassifisering Hydraulik
Produktkategori Fittings
Produktgruppe Hydraulik Fittings
Produktprogram Adaptorer
Produktunderprogram Propper og muffer
EO-PSR Animation
1 / 5
1
2
3
4
5
Varenummer Leverandøres varenumre Alternative varenumre
7290617000 VSTI10X1EDCF A9B00090510
7290616955 VSTI1/4EDCF A9B00010381
7290616965 VSTI1/2EDCF A9B00010382
Info Hymatik varenr. Leverandør varenr. Tilgængelighed
Navn
End 1 - End form
End 1 - End Type Group
Ende 1 Gevindstørrelse
Ende 1 Gevindtype
End 1 - Sealing
End 2 - End form
Materiale
Overfladebehandling
Samlingskombination
Oprindelsesland
TariffNumber
Vægt
T1M
T1Z
D1
S1
L1
L2
Enhedspris          Favorit    Sort Order