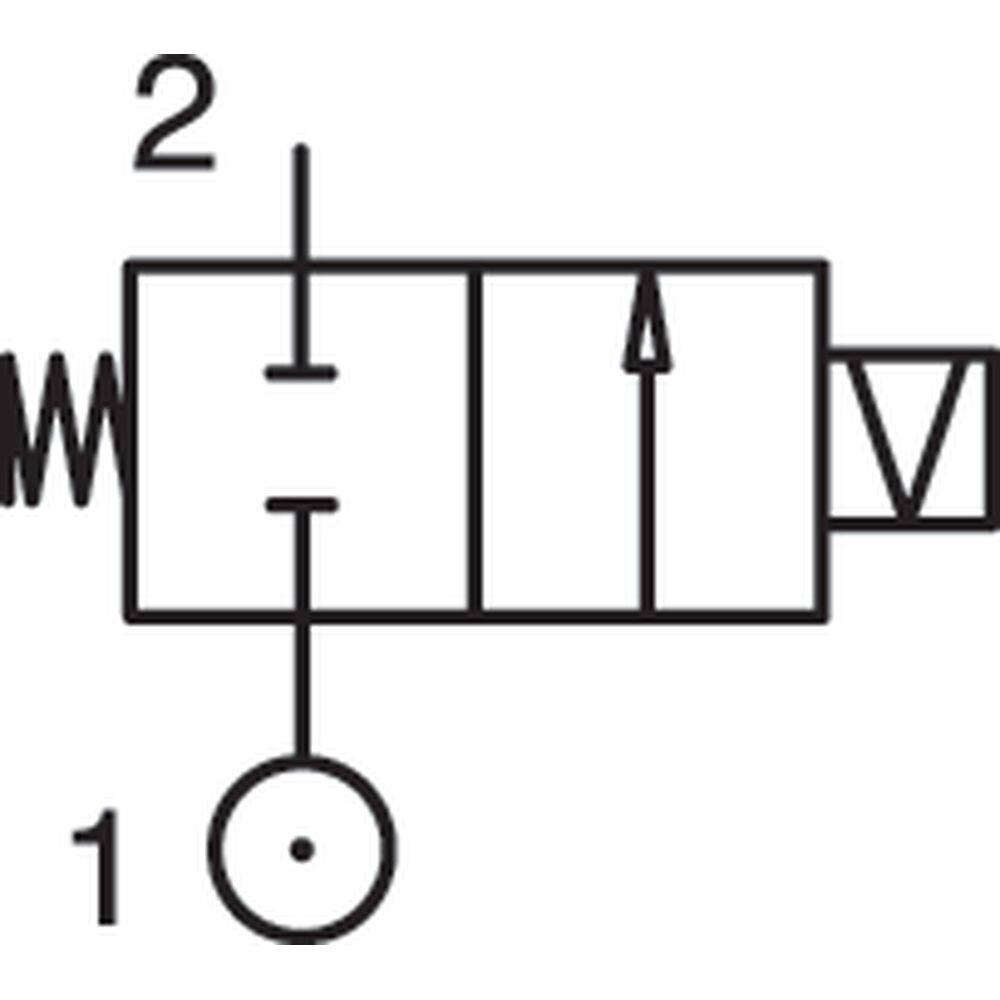
Parker Lucifer - 2 Way Valve - Controled by Electrical Impulse - Direct Operated - Pipe Mounting - For Dry/Lubricated Air, Neutral Gases/Liquids
Parker Lucifer – 2-vejs ventil styret af elektriske impulser
Parker Lucifer-serien tilbyder pålidelige 2-vejs ventiler designet til præcis styring via elektriske impulser. Disse ventiler er ideel til applikationer, der kræver hurtig og nøjagtig flowkontrol i tør eller smur...
| Produktklassifisering | Pneumatik |
|---|
| Info | Hymatik varenr. | Leverandør varenr. |
Oprindelsesland
|
TariffNumber
|
Vægt
|
Enhedspris | Favorit | Sort Order | ||
|---|---|---|---|---|---|---|---|---|---|---|