O-Ring - UN / UNF Udvendig Gevind
ISO 11926
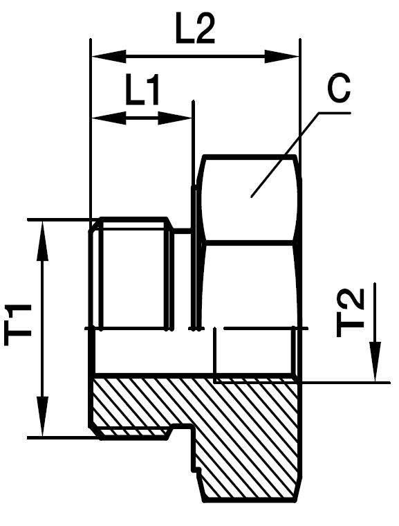
Parker O-Ring UN/UNF med udvendig gevind – Høj kvalitet til pålidelig tætning
Parker O-Rings med UN/UNF udvendig gevind er udviklet til sikker og pålidelig tætning i hydrauliske og pneumatiske systemer. Disse O-Rings er konstrueret til at levere optimal tæthed under variere...
| Materialer | NBR, FKM |
|---|---|
| Størrelser (mm) | 6 - 59 mm |
| Størrelser (tommer) | 1/8" inches - 2" inches |
| Produktklassifisering | Hydraulik |
| Produktkategori | Fittings |
| Produktgruppe | Hydraulik Fittings |
| Produktprogram | Adaptorer |
| Produktunderprogram | Komponent |
| Varenummer | Leverandøres varenumre | Alternative varenumre |
|---|---|---|
| H00010466 | 3-908-N552-9 | A9B00027150 |
| H00010467 | 3-910-N552-9 | A9B00027120 |
| Info | Hymatik varenr. | Leverandør varenr. | Tilgængelighed | Erstatningsvare |
Materiale
|
G
|
Oprindelsesland
|
TariffNumber
|
Vægt
|
Navn
|
GEW
|
OR
|
Enhedspris | Favorit | Sort Order | ||
|---|---|---|---|---|---|---|---|---|---|---|---|---|---|---|---|---|---|