Nåleventil - 150V - 2-Vejs Vinkel /Udskifteligt Sæde
| Produktklassifisering | Proces |
|---|---|
| Produktkategori | Ventiler |
| Produktgruppe | Højtryks AE Ventiler |
| Produktprogram | Nåleventiler |
| Produktunderprogram | Nåleventil 2-Vejs |
| Info | Hymatik varenr. | Leverandør varenr. |
Oprindelsesland
|
TariffNumber
|
Vægt
|
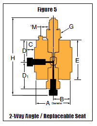
A Inch
|
A (mm)
|
B Inch
|
B (mm)
|
Outside Diameter Tube Inch
|
Outside Diameter Tube (mm)
|
C Inch
|
C (mm)
|
D Inch
|
D (mm)
|
E Inch
|
E (mm)
|
G Inch
|
G (mm)
|
Stem Type
|
Orifice Diameter Inch
|
Orifice Diameter (mm)
|
D1Inch
|
D1 (mm)
|
H Inch
|
H (mm)
|
M Inch
|
M (mm)
|
Rated CV
|
Pressure Rating Psi Room Temperature
|
Pressure Rating Bar Room Temperature
|
Enhedspris | Favorit | Sort Order | ||
|---|---|---|---|---|---|---|---|---|---|---|---|---|---|---|---|---|---|---|---|---|---|---|---|---|---|---|---|---|---|---|---|---|---|---|---|---|