Magnet-/solenoidstyret Retningsreguleringsventil
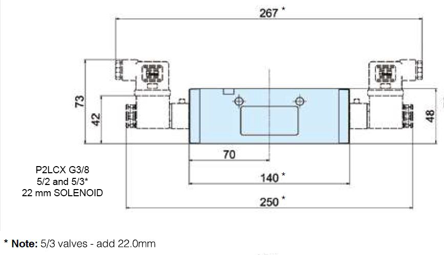
Viking Extreme EXTD 22mm Magnet-/solenoidstyret Retningsreguleringsventil
Viking Extreme EXTD serien tilbyder højtydende magnet-/solenoidstyrede retningsreguleringsventiler designet til ekstreme og krævende industrielle applikationer. Med 5/2-funktionalitet og 22mm port stø...
| Produktklassifisering | Pneumatik |
|---|---|
| Produktkategori | Ventiler |
| Produktgruppe | Pneumatik / Luft Ventiler |
| Produktprogram | Retningsventil |
| Produktunderprogram | Retningsventil 5/2 |
| Info | Hymatik varenr. | Leverandør varenr. |
Port Størrelse
|
Gevindtype
|
ChangeoverTime(ms)
|
Valve Type Function
|
PilotMainActuatorReturn
|
Solenoid Exhaust
|
Solenoid enclosure / Lead length
|
Overrides
|
Ventil Tilslutnings Størrelse
|
Oprindelsesland
|
TariffNumber
|
Vægt
|
Enhedspris | Favorit | Sort Order | ||
|---|---|---|---|---|---|---|---|---|---|---|---|---|---|---|---|---|---|---|---|