Magnet-/solenoidstyret Retningsreguleringsventil
Viking Extreme 22mm Magnet-/solenoidstyret Retningsreguleringsventil – Præcis kontrol til krævende applikationer
Viking Extreme serien leverer pålidelig retningskontrol med magnet-/solenoidtyrning, specielt designet til industrielle applikationer, der kræver høj præcision o...
| Produktklassifisering | Pneumatik |
|---|---|
| Produktkategori | Ventiler |
| Produktgruppe | Pneumatik / Luft Ventiler |
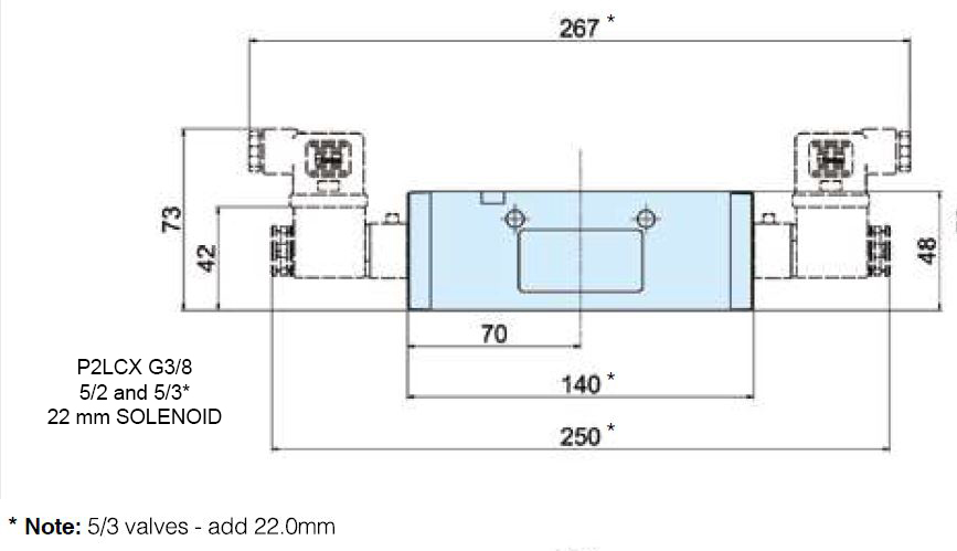
| Produktprogram | Retningsventil |
| Produktunderprogram | Retningsventil 5/3 |
| Info | Hymatik varenr. | Leverandør varenr. |
Port Størrelse
|
Gevindtype
|
ChangeoverTime(ms)
|
Valve Type Function
|
PilotMainActuatorReturn
|
Solenoid Exhaust
|
Solenoid enclosure / Lead length
|
Overrides
|
Ventil Tilslutnings Størrelse
|
Oprindelsesland
|
TariffNumber
|
Vægt
|
Enhedspris | Favorit | Sort Order | ||
|---|---|---|---|---|---|---|---|---|---|---|---|---|---|---|---|---|---|---|---|