Kugleventil- 2-Vejs Undervands Serie (1/2” Orifice / Åbning)
| Produktklassifisering | Proces |
|---|---|
| Produktkategori | Ventiler |
| Produktgruppe | Højtryks AE Ventiler |
| Produktprogram | Kugleventiler |
| Produktunderprogram | Kugleventiler 2-Vejs |
| Info | Hymatik varenr. | Leverandør varenr. |
Oprindelsesland
|
TariffNumber
|
Vægt
|
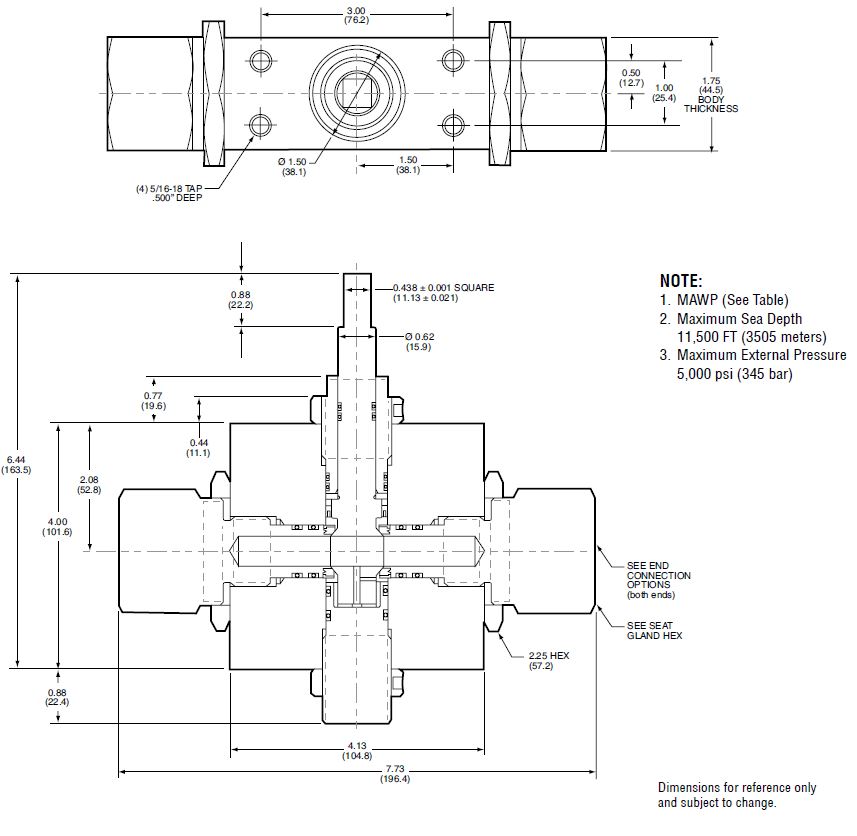
Valve Model
|
A Inch
|
A (mm)
|
B Inch
|
B (mm)
|
C Inch
|
C (mm)
|
D Inch
|
D (mm)
|
E Inch
|
E (mm)
|
F Inch
|
F (mm)
|
G Inch
|
G (mm)
|
H Inch
|
H (mm)
|
J Inch
|
J (mm)
|
K Inch
|
K (mm)
|
L Inch
|
L (mm)
|
Block Thickness Inch
|
Block Thickness (mm)
|
End Connection Number
|
Connection
|
Mawp Room Temperature Psi
|
Mawp Room Temperature Bar
|
Seat Dland Hex Inch
|
Seat Dland Hex (mm)
|
Enhedspris | Favorit | Sort Order | ||
|---|---|---|---|---|---|---|---|---|---|---|---|---|---|---|---|---|---|---|---|---|---|---|---|---|---|---|---|---|---|---|---|---|---|---|---|---|---|---|---|---|---|