Kontraventil - EO 24° Konus Ende / Udvendig BSPP Gevind – ED-Pakning
| Materialer | Rustfrit Stål, Stål |
|---|---|
| Trykserier | L, S |
| Størrelser (mm) | 6 - 42 mm |
| Produktklassifisering | Hydraulik |
| Produktkategori | Ventiler |
| Produktgruppe | Hydraulik Ventiler |
| Produktprogram | Kontraventiler |
How to assemble EO-2 fittings
| Info | Hymatik varenr. | Leverandør varenr. | Tilgængelighed |
Navn
|
End 1 - End form
|
End 1 - End Type Group
|
Ende 1 Rørstørrelser
|
Ende 1 trykseries
|
Ende 1 Gevindstørrelse
|
Ende 1 Gevindtype
|
End 1 - Sealing
|
End 2 - End form
|
End 2 - End Type Group
|
Ende 2 Gevindstørrelse
|
Ende 2 Gevindtype
|
End 2 - Sealing
|
Skæreringstype
|
Fitting komplethed
|
Materiale
|
Overfladebehandling
|
Oprindelsesland
|
TariffNumber
|
Vægt
|
SVC
|
ED
|
GEWT1
|
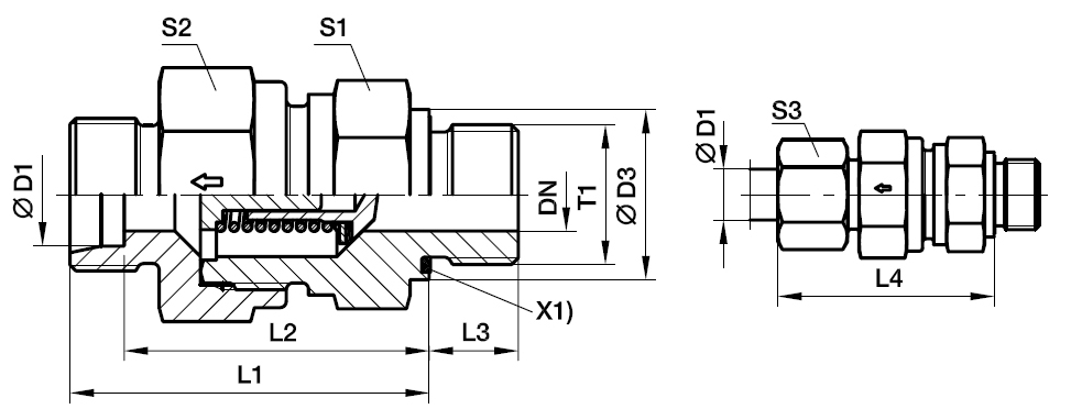
D1
|
DN
|
D3
|
S1
|
S2
|
S3
|
L1
|
L2
|
L3
|
L4
|
Enhedspris | Favorit | Sort Order | ||
|---|---|---|---|---|---|---|---|---|---|---|---|---|---|---|---|---|---|---|---|---|---|---|---|---|---|---|---|---|---|---|---|---|---|---|---|---|---|---|---|---|---|