Koblingsnippel uden kontraVentil , Udvendig Gevind BSPT Gevind
| Produktklassifisering | Pneumatik |
|---|
Parker Rectus--Product Demon : KB Shut-off System - Double Shut-off Quick Coupling
| Info | Hymatik varenr. | Leverandør varenr. |
End 1 - End form
|
Materiale
|
Note
|
Vægt
|
TariffNumber
|
Oprindelsesland
|
Id
|
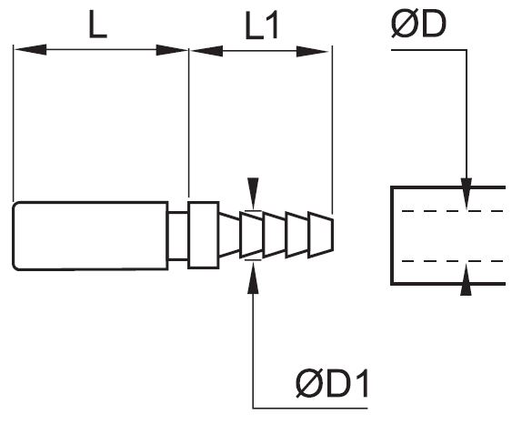
L
|
Kg
|
Product Type
|
L1
|
DN
|
Ød
|
Type
|
Ød1
|
Enhedspris | Favorit | Sort Order | ||
|---|---|---|---|---|---|---|---|---|---|---|---|---|---|---|---|---|---|---|---|---|---|---|