Kobling, Indvendig BSPP Gevind

Produktklassifisering Pneumatik
Info Hymatik varenr. Leverandør varenr. Tilgængelighed Erstatningsvare
TariffNumber
Oprindelsesland
Id
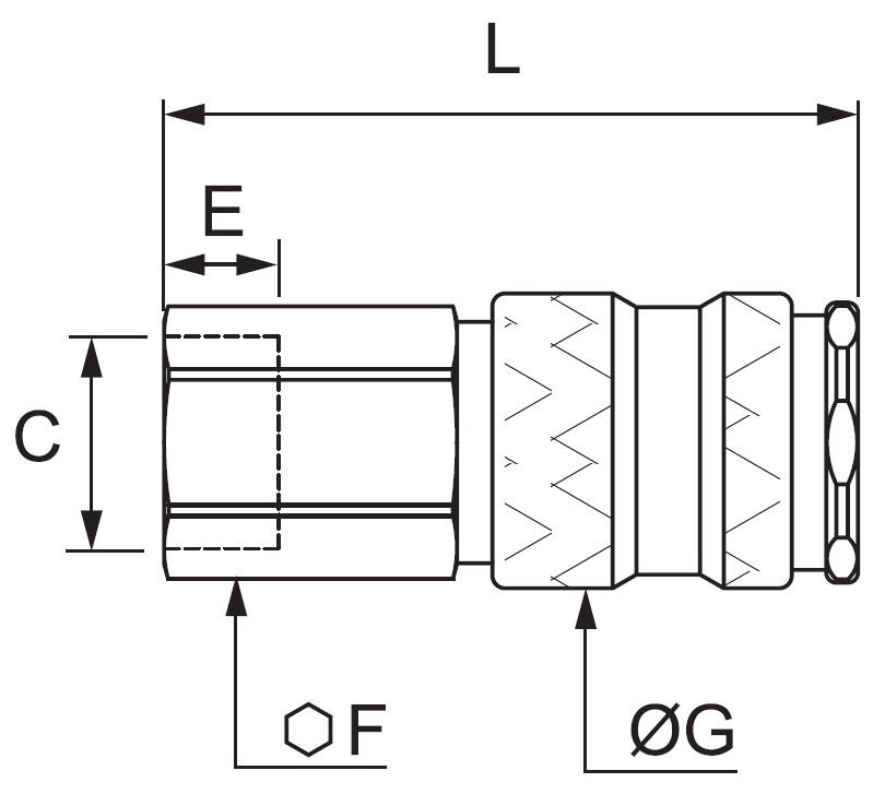
F
L
Kg
Product Type
E
Note
C
DN
G
Note
Enhedspris          Favorit    Sort Order