Indvendig Indskruning - 37° Udkravet Ende / Indvendig NPTF/NPT Gevind
SAE J476, SAE 070103, MS51503
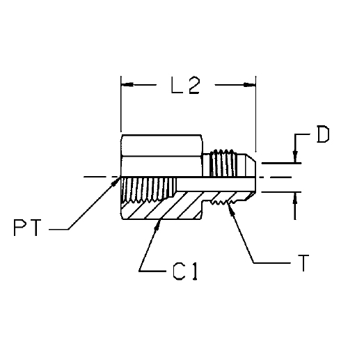
Fitting ends
| # | Endetype | Endeform | Gevind | Tætning |
|---|---|---|---|---|
| 1 | JIC | Han | UNF | Konus |
| 2 | NPT | Hun (Fast) | NPT | Gevind |
Fitting data
| Form | Lige |
|---|
| Materialer | Stål, Rustfrit Stål |
|---|---|
| Størrelser (mm) | 2 - 38 mm |
| Størrelser (tommer) | 1/8" inches - 1 1/2" inches |
| Samlingskombination | Rør-til-Indvendigt Gevind |
| Produktklassifisering | Hydraulik |
| Produktkategori | Fittings |
| Produktgruppe | Hydraulik Fittings |
| Produktprogram | JIC / Triple-Lok |
| Info | Hymatik varenr. | Leverandør varenr. | Tilgængelighed |
End 1 - End form
|
End 1 - End Type Group
|
Ende 1 Rørstørrelser
|
Ende 1 Gevindstørrelse
|
Ende 1 Gevindtype
|
End 1 - Sealing
|
End 2 - End form
|
End 2 - End Type Group
|
Ende 2 Gevindstørrelse
|
Ende 2 Gevindtype
|
End 2 - Sealing
|
Materiale
|
Samlingskombination
|
AD
|
Oprindelsesland
|
TariffNumber
|
Vægt
|
Navn
|
OD
|
GEWPT
|
GEWT
|
D
|
C1
|
L2
|
Enhedspris | Favorit | Sort Order | ||
|---|---|---|---|---|---|---|---|---|---|---|---|---|---|---|---|---|---|---|---|---|---|---|---|---|---|---|---|---|---|---|---|---|