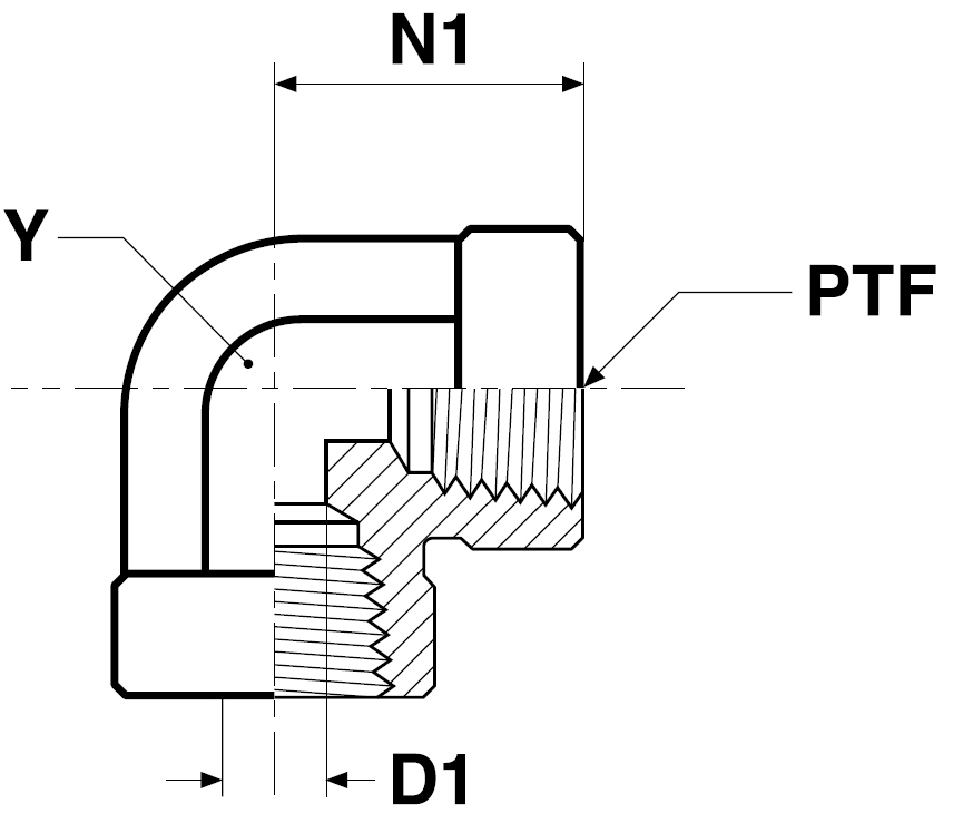
Indvendig Gevind Vinkel - Indvendig NPTF/NPT Gevind
SAE J476, SAE 140238
Fitting ends
| # | Endetype | Endeform | Gevind | Tætning |
|---|---|---|---|---|
| 1 | NPT | Hun (Fast) | NPT | Gevind |
| 2 | NPT | Hun (Fast) | NPT | Gevind |
Fitting data
| Form | Vinkel 90° |
|---|
| Materialer | Stål, Rustfrit Stål |
|---|---|
| Størrelser (tommer) | 1/8" inches - 1 1/2" inches |
| Samlingskombination | Gevind-til-Gevind |
| Produktklassifisering | Hydraulik |
| Produktkategori | Fittings |
| Produktgruppe | Hydraulik Fittings |
| Produktprogram | Adaptorer |
| Info | Hymatik varenr. | Leverandør varenr. | Tilgængelighed |
End 1 - End form
|
End 1 - End Type Group
|
Ende 1 Gevindstørrelse
|
Ende 1 Gevindtype
|
End 1 - Sealing
|
End 2 - End form
|
End 2 - End Type Group
|
Ende 2 Gevindstørrelse
|
Ende 2 Gevindtype
|
End 2 - Sealing
|
Materiale
|
Samlingskombination
|
Oprindelsesland
|
TariffNumber
|
Vægt
|
Navn
|
NDMPT
|
PTF
|
D1
|
Y
|
N1
|
Enhedspris | Favorit | Sort Order | ||
|---|---|---|---|---|---|---|---|---|---|---|---|---|---|---|---|---|---|---|---|---|---|---|---|---|---|---|---|---|---|