Indsats Med Flad Flace
Parker Indsats Med Flad Flace – Højkvalitet fitting til sikker fluidstyring
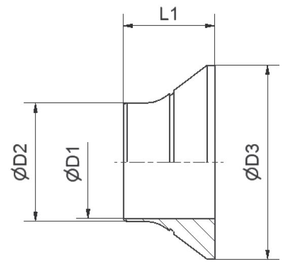
Parker indsatsen med flad flace er en pålidelig komponent designet til hydrauliske og pneumatiske systemer, hvor præcision og holdbarhed er afgørende. Med sin glatte dichtfläche sikrer komponenten e...
Fitting data
| Form | Lige |
|---|
| Produktklassifisering | Hydraulik |
|---|---|
| Produktkategori | Fittings |
| Produktgruppe | Hydraulik Fittings |
| Produktprogram | Flange |
| Produktunderprogram | F37 Flanger |
HPF120 Machine
| Info | Hymatik varenr. | Leverandør varenr. | Tilgængelighed |
End 1 - End Type Group
|
Materiale
|
Overfladebehandling
|
Oprindelsesland
|
TariffNumber
|
Vægt
|
BAU
|
AD
|
D
|
DB
|
D1
|
D2
|
D3
|
O-Ring
|
L
|
LA
|
LB
|
LX
|
LY
|
Enhedspris | Favorit | Sort Order | ||
|---|---|---|---|---|---|---|---|---|---|---|---|---|---|---|---|---|---|---|---|---|---|---|---|---|---|---|---|