Højre Vinklet Nåleventil , Udvendig/Indvendig BSPP Gevind
| Produktklassifisering | Pneumatik |
|---|---|
| Produktkategori | Ventiler |
| Produktgruppe | Pneumatik & Medier |
| Produktprogram | Nåleventiler |
| Info | Hymatik varenr. | Leverandør varenr. |
Oprindelsesland
|
TariffNumber
|
Vægt
|
Id
|
Kg
|
Product Type
|
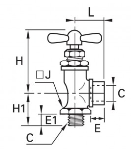
C
|
H1
|
L
|
DN
|
E
|
H Min
|
H Max
|
E1
|
J
|
Enhedspris | Favorit | Sort Order | ||
|---|---|---|---|---|---|---|---|---|---|---|---|---|---|---|---|---|---|---|---|---|---|---|