Han EL T MBT
| Samlingskombination | Gevind-til-Gevind |
|---|---|
| Produktklassifisering | Proces |
| Produktkategori | Fittings |
| Produktgruppe | Process Fittings |
| Produktprogram | Adaptorer, Instrument Pipe Fittings |
| Info | Hymatik varenr. | Leverandør varenr. |
Alok Fitting Option
|
Materiale
|
Materiale Standard
|
Oprindelsesland
|
TariffNumber
|
Vægt
|
Product Category
|
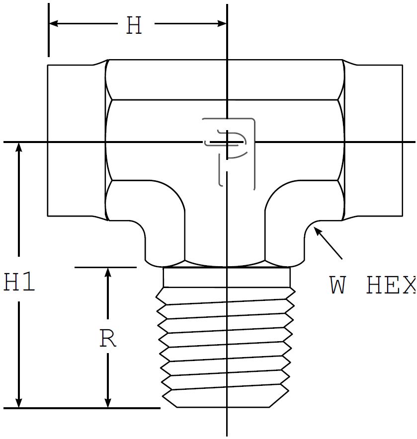
W Hex Inches
|
R Inches
|
Working Pressures Brass Psig
|
Working Pressures Stainless Steel Psig
|
Working Pressures Steel Psig
|
H Inches
|
H1 Inches
|
Male Thread Size
|
Male Thread Type
|
Female Thread Size
|
Female Thread Type
|
Enhedspris | Favorit | Sort Order | ||
|---|---|---|---|---|---|---|---|---|---|---|---|---|---|---|---|---|---|---|---|---|---|---|---|---|---|