Enkelt Banjo, Udvendig Gevind BSPP Gevind
Fitting ends
| # | Endetype | Endeform | Gevind | Tætning |
|---|---|---|---|---|
| 1 | Spigot Fitting | Han | Metrisk | Spigot System |
| 2 | BSP | Han | BSPP | USIT Ring/Bonded Seal |
Fitting data
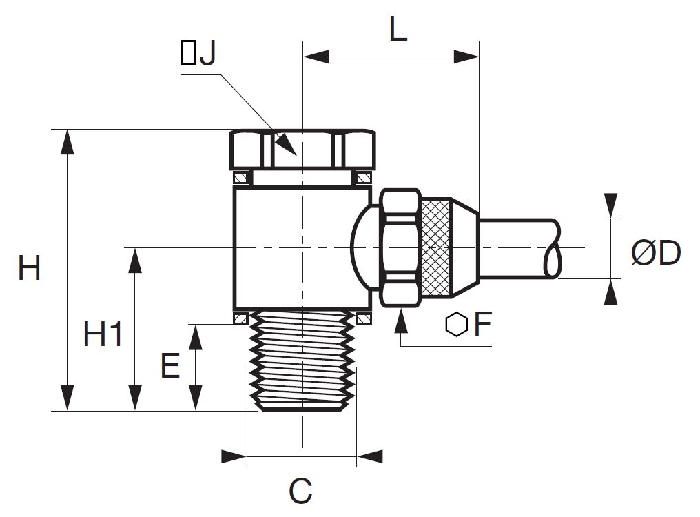
| Form | Vinkel Banjo 90° |
|---|
| Samlingskombination | Rør-til-Udvendigt Gevind |
|---|---|
| Produktklassifisering | Pneumatik |
| Produktkategori | Fittings |
| Produktgruppe | Pneumatik & Medier |
| Produktprogram | Klemring |
| Produktunderprogram | Spigot |
Parker Legris PL Push-On Fittings
| Info | Hymatik varenr. | Leverandør varenr. |
Oprindelsesland
|
TariffNumber
|
Vægt
|
Ød
|
C
|
E
|
F
|
F1
|
H
|
H1
|
L
|
Enhedspris | Favorit | Sort Order | ||
|---|---|---|---|---|---|---|---|---|---|---|---|---|---|---|---|---|---|---|